改變大功率電燈或電動機亮度的最佳技術之一就是脈寬調制(PWM)。在汽車電子系統中,一段時間以來,控制單元已使用PWM命令來對各種執行器進行控制和管理。例如,柴油機壓力調節器、電風扇和前照燈的亮度就采用PWM信號進行管理。利用周期性信號驅動負載,電路的效率就非常高,所有產生的功率就都能傳輸到負載,也即損耗幾乎為零。通過使用SiC MOSFET作為開關元件,總效率將會更高。
設備
本文要講的電路是一個簡單的DC電源穩壓器,可承受24V的強大負載。顯然,電壓可以通過調整PCB的特性來進行改變。它可以用于改變燈的亮度或加快或降低DC電動機的速度。邏輯操作由MCU執行。電源的調節操作通過兩個按鈕管理。占空比的大小通過一個LED二極管監控。
PWM信號
PWM信號是具有可變“占空比”的方波(
圖1),可以通過調制占空比而利用它來控制電氣負載(在本例中為執行器或電動機)所吸收的功率。PWM信號的特征是固定頻率和可變占空比。“占空比”是方波呈現“高”電平的時間與周期T之比,其中“T”是頻率的倒數:T=1/f。例如:
-
50%占空比所對應的方波,在50%的時間內保持高電平,而在其余50%的時間內保持低電平;
-
10%占空比所對應的方波,在10%的時間內保持高電平,而在其余90%的時間內保持低電平;
-
90%占空比所對應的方波,在90%的時間內保持高電平,而在其余10%的時間內保持低電平;
-
100%占空比所對應的信號始終為高電平;
-
0%占空比所對應的信號始終為低電平。
為了更清楚起見,如果考慮上述最后兩種情況,則占空比等于0%表示脈沖持續時間為零(實際上是無信號),而接近100%的值表示最大信號傳輸,也即受控設備獲得完整、恒定的電源。
圖1:PWM信號及其對負載的影響。
方框圖
圖2給出了該系統的框圖。MCU管理邏輯操作并接收操作員下發的命令。它還能產生PWM(小功率)信號而驅動預驅動器。后者將電流信號放大并將其傳遞給驅動器,進而控制負載。
圖2:系統框圖。
電氣原理圖
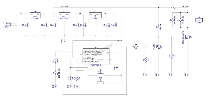
在
圖3中可以看到接線圖。該系統采用大約30V的電壓供電。然后通過三個穩壓器(7824、7812和7805)降低到5V而用于MCU邏輯。與只使用7805相比,這種技術可以限制熱量。PIC 12F675的GP0端口驅動有一個LED二極管,而用作PWM信號的監控器。GP1端口對由IRL540功率MOSFET組成的預驅動器進行控制——這特別適用于使用MCU的應用,因為此時供給“柵極”的能量非常低。*個MOSFET的“漏極”端子對第二個SiC MOSFET進行驅動,對負載(電阻性或電感性)上的電流進行開關。兩個快速二極管可消除感性負載產生的過電壓。也可以不使用它們,因為SiC MOSFET受到了很好的保護,但是最好還是考慮使用它們。如果使用電阻性負載,則可以將它們從電路中去掉。兩個常開按鈕通過相應的下拉電阻連接到MCU的GP4和GP5端口,如果不按下它們,就可以確保是低電位。
圖3:電氣原理圖。
電子元器件
下面列出了電路的電子元器件。它們并不緊缺,可以在市場上輕松找到。
圖4給出了各種元器件的引腳排列。
-
電阻:
-
R1:330Ω
-
R2:10k?
-
R3:10k?
-
R4:100?
-
R5:10k?
-
R6:47k?
-
R7:220?,5W
-
電容:
-
C1:100nF
-
C2:100nF
-
C3:100nF
-
C4:100nF
-
C5:100nF
-
C6:100nF
-
C7:1,000µF電解電容
-
半導體
-
雜項:
-
U1:PIC12F675_P MCU
-
U2:LM7812CT穩壓器
-
U3:7805穩壓器
-
U4:LM7824CT穩壓器
-
1:熔斷器,40A
-
J1:接線端子
-
J2:接線端子
-
S1:常開按鈕
-
S2:常開按鈕
圖4:元器件引腳排列。
PCB
要制作原型,就必須設計PCB,其走線如
圖5所示。即使其非常簡單,我們也強烈建議使用光刻技術來獲得更可靠、更專業的結果。一旦準備好基礎,就需要用與焊盤相對應的0.8mm或1mm的鉆頭鉆孔,從而增加與集成電路相關的焊盤的精度。要增加走線的厚度,實現更好的散熱,可以在它們上面熔化錫。
圖5:PCB。
組件
下面就可以開始焊接元器件(
圖6)。首先從低矮的元件開始,例如電阻、電容和插座,然后再繼續到較大的元件,例如接線端子、LED二極管、MOSFET、熔斷器和電解電容。應特別注意有極性元件。焊接時要使用功率約為30W的小型烙鐵,注意不要使不能承受過多熱量的電子元件過熱。最后,需要注意集成電路及其插座的引腳排列。
圖6:元器件的布置和電路的3D視圖。
固件
本文最后附有源程序列表(.BAS)——是使用GCB(Great Cow Basic)編譯器用BASIC語言編寫的——以及可執行文件(.HEX)。在對保險絲和I/O端口進行初始配置之后,就會進入無限循環,檢查兩個按鈕的邏輯狀態。按下*個按鈕,占空比就會減小;按下第二個按鈕,占空比就會增加。占空比的百分比有10%、30%、50%、70%和90%。當然,也可以根據程序規范添加其他值。由于PIC內部時鐘的速度較低(4MHz),因此無法通過變量來參數化等待狀態的定時。相反,則是已經創建了具有不同百分比占空比的專用子程序。在這種情況下,由固件生成的PWM信號的頻率約為2kHz。使用更快速的PIC可以對等待暫停進行參數化并對代碼進行優化。低頻率的PWM可能會在感性負載上產生聲音提示。但是,在電阻負載上不存在該問題。
電路仿真
觀察電路在開關點的行為以及研究SiC MOSFET的工作非常有趣。
圖7給出了以下幾點在占空比為50%時的PWM信號波形圖:
圖7:不同點的PWM信號波形圖。
圖8給出了在各種占空比百分比(10%、30%、50%、70%、90%)下,MCU輸出處的PWM信號的波形圖。
圖8:不同占空比百分比下的波形圖。
電路效率
就功率傳輸而言 ,使用SiC MOSFET時效率非常高。這個效率通常可以認為不錯,但不幸的是,預驅動器的存在會使其降低。
圖9 給出了電路總效率的曲線圖,具體取決于施加到輸出的負載。為了提高電路效率,可以嘗試略微提高MOSFET IRL540漏極電阻R7的值,確保SiC MOSFET的閉合沒有問題。
圖9:電路效率與所加負載的關系。
在元件導通期間,直接從電路的各個工作點測量SiC MOSFET的R
DS(on)值非常有趣。根據歐姆定律,有:
圖10對官方數據手冊中所給的值進行了確認。
圖10:SiC MOSFET的R
DS(on)值的測量。
UF3C065080T3S SiC MOSFET
UnitedSiC公司的共源共柵產品將其高性能G3 SiC JFET與經過共源共柵優化的MOSFET封裝在一起,從而生產出了當今市場上*的標準柵極驅動SiC器件。
該系列不僅具有極低的柵極電荷,而且在類似額定值的任何器件中具有最佳反向恢復特性。當與推薦的RC緩沖器一起使用時,這些器件非常適合對感性負載進行開關,并且它們也非常適合任何需要標準柵極驅動的應用。其特點包括:
-
RDS(on)典型值為80mΩ
-
最高工作溫度為175℃
-
*的反向恢復特性
-
低柵極電荷
-
低固有電容
-
ESD保護,HBM 2級
它的典型應用有:
-
電動汽車充電
-
光伏逆變器
-
開關電源
-
功率因數校正模塊
-
電機驅動
-
感應加熱
總結
PWM控制可以對電動執行器(例如電機和電燈)獲得更好的定性性能。盡管可以隨意改變亮度,但是光的質量更好。即使在低轉速下,發動機扭矩也很高。本文介紹的電路主要用于指導,并為對該領域的進一步研究奠定了基礎。熟悉PWM很有用。顯然,設計人員可以在功率和效率上進行改進。但是,建議不要將提供的功率移到最大,以免電路過熱。